(je passe l’épisode de réfection du 230V qu’en lecteurs assidus, vous avez lu ici).
Pendant les soirées pluvieuses d’automne, voire d’hiver, j’ai fait joujou avec Dia, un logiciel pour faire des schémas dans tous les sens. Le tout avec beaucoup d’aide de Tomtom, car j’ai beau être responsable de l’électricité, on ne peut pas dire que je maîtrisais le sujet au départ. Et des validations de nos experts, Tristan et Boris, que l’on dépaysait de leur grisaille parisienne avec nos magnifiques schémas en couleur.
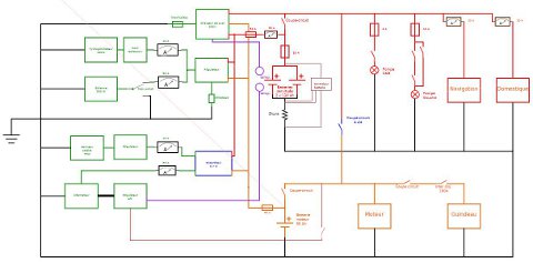
Tout ce travail a donné ça :
En gros :
- en vert (à gauche), c’est la production d’énergie (la prise du quai quand on est au quai, l’éolienne, l’hydrogénérateur et le panneau solaire pour les énergies qui fonctionnent même en navigation, et l’alternateur qui nous requinque les batteries quand on fait tourner le moteur)
- en rouge, c’est la consommation d’énergie à partir des batteries de servitude : les équipements de sécurité comme les pompes, les équipements de navigation et les équipements de confort (« domestique »)
- en orange, c’est la consommation d’énergie à partie de la batterie moteur (essentiellement démarrage du moteur et guindeau)
Il y a des tas de petits détails à raconter sur chaque partie du circuit, mais je vais garder ça pour plus tard, quand on s’ennuiera en mer, on fera des articles de blog sur tous ces détails (c’est super intéressant, mais ça prendrait des heures).
Après ce premier schéma général, je me suis amusée à détailler les schémas « NAV » et « DOM » (Navigation et Domestique). Ils existent sous Dia aussi, mais ils sont moins sexy que le schéma général… Ce travail-là a (entre autres) consisté à lister tous les équipements de chaque catégorie, identifier leur consommation et donc dimensionner le fusible qu’on devait leur mettre dans le tableau…

Bravo Clairette !